GXCSB-1超声波纠偏传感器

您当前的位置:首页 / 产品展示 / 光电纠偏控制器系列 / GXCSB-1超声波纠偏传感器

产品展示

GXCSB-1超声波纠偏传感器

GXCSB-1超声波纠偏传感器
  • 质量稳定:实行全过程质量监控,细致入微,各方面检测!
  • 价格合理:有效内部成本控制,减少了开支,让利于客户!
  • 交货快捷:生产流水线,充足的备货,缩短了交货期!
  • 热线:0577-65138780

产品详情

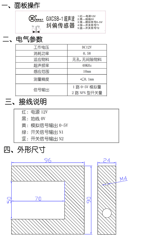
国信牌GXCSB-1超声波纠偏传感器(含3米连接线1条),对高透超薄透明膜的纠偏效果不错,无需任何调节使用方便。
2路NPN型开关量和1路0-5V模拟量输出,适应大多数纠偏控制器的信号要求;
6-24V宽电压输入,适应PLC等设备24V供电的需求,也能适应常规纠偏控制器12V的供电要求;
适应所有无孔物料的纠偏要求,特别是高透超薄透明膜的纠偏。


相关信息

如果您有任何产品上的问题及建议,或您想知道的,您可以随时与我们联系。